1、产品简介:
该机主要用于各种润滑油和油脂的润滑性能评定,尤其适用于中、高档汽车齿轮油抗擦伤性能的评定,也可用于固体润滑材料的润滑性能评定及各种金属与非金属材料的磨损试验。
试验机的试验执行单元为环块摩擦副。试环装于主轴前端,可随主轴以一定的转速转动,三相异步电机提供转速,无级调速。试块装于试环上方的试块座内,试块座装在加力横梁上,加力横梁通过两件拉板与试验力施加、测量、控制系统连接。当启动该系统时,微机控制加荷器控制步进电机运转,带动蜗轮蜗杆机构驱动螺母压缩弹簧,从而在杠杆右端施加一向上的力,杠杆左端产生一个放大的向下的力,该力通过试验力传感器和拉杆施加在横梁上,试验时拉板将加力横梁向下拉,从而在试块与试环之间产生压力。试验可测得主轴转速和转数、试验力、油温度、摩擦力等数据,并显示在控制柜和计算机软件界面上,并可跟踪采集数据、保存数据报告。其中试验力施加和温度控制采用闭环控制。
本试验机可代替进口美国FALEX-1型环块试验机。
2、试验机结构特征简述:
1.试验机的组成
该试验机由机座、主轴座、主轴系统、施力部分、摩擦副部分、动力部分、测量系统、控制系统、计算机软件部分、控制柜以及附件等部分组成。
2.试验机结构简述
该机的下部为一焊接结构机座,机座上方左边为主轴座,右边为控制箱。控制箱输出可接双笔记录仪。主轴座前部凸出部分为试验腔体,打开腔体门,可以看到试环装于主轴前端,试块装于试环上方的试块座内,腔体下边装有铂热电阻温度传感器,腔体门内装有电加热器。主轴座前面右边装有摩擦力传感器。主轴座后边为罩壳,打开罩壳后门,可以看到主轴后端装有转速传感器和圆弧齿同步带轮。再打开机座后门,可以看到主轴座下边装有三相交流异步电动机,电机轴上也装有同步圆弧齿带轮,二者之间通过圆弧齿橡胶同步带连接,还可以看到机座内立板上装有交流调速系统和强电部分。打开机座前门,可以看到一整套试验力施加、测量与控制系统。
3、主要技术性能指标:
1.最大试验力:3kN(5kN);
2.试验力示值相对误差±1%;
3.测定最大摩擦力300N;
4.摩擦力示值相对误差±3%;
5.主轴无级调速范围:100~2000r/min;
6.主轴转速误差±10r/min;
7.主轴转数显示及控制范围0~9999999;
8.时间显示及控制范围10~9999s(min);
9.试验油温,室温~100ºC;
10.标准试环尺寸:Φ49.22×13.06;
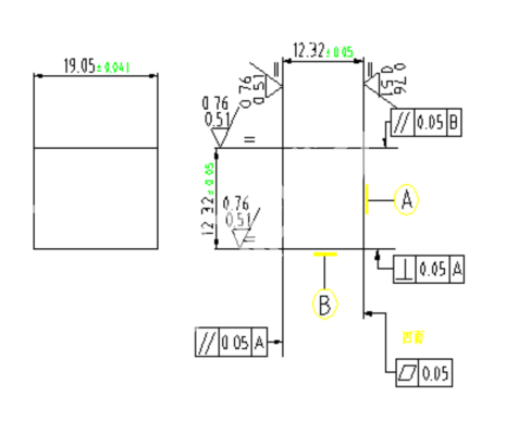
11.标准试块尺寸:!12.32×19.05;
12.试验机外型尺寸(长×宽×高):1000mm×700mm×1600mm。
4、块试样尺寸及环试样尺寸如下图一、图二




